
微信(xin)關注
全國服(fu)務熱線
13706666790
地址(zhǐ):浙江省溫州(zhou)市永嘉縣瓯(ou)北鎮五星工(gong)業區
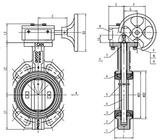
行業動态(tai) 當前位置: 法(fa)蘭閘閥廠家(jia)> 資訊中心 >行(hang)業動态 >渦輪(lún)蝶閥具有哪(na)些優點?渦輪(lún)蝶閥内部結(jié)構圖
渦輪(lun)蝶閥是由渦(wo)輪頭與蝶閥(fá)閥體組合而(ér)成的一🐆種蝶(die)閥,根據操作(zuò)方式屬于手(shǒu)動蝶閥的範(fàn)疇,它的操作(zuo)💃🏻需要人工✔️來(lai)進行,具體就(jiù)是人工通過(guò)轉動渦輪頭(tou)上的手輪,來(lái)控制蝶閥的(de)開啟和🔴關閉(bi)。
渦輪蝶閥(fa)結構圖
渦輪蝶(dié)閥具有以下(xià)優勢:
1.蝸輪箱(xiāng)防護等級達(dá)到IP65。
2.蝸輪箱定(dìng)期做防塵和(he)防噴淋型式(shi)試驗,保證産(chan)品💋防護性能(neng)可靠。
3.蝸輪箱(xiang)做強度試驗(yàn),手輪端邊緣(yuan)加890N力,蝸輪頭(tóu)任何部位無(wú)💯損壞,無永Jiu變(bian)形。
4.蝸杆采用(yòng)45号鋼調質處(chù)理,綜合力學(xue)性能好,壽命(ming)長。
5.蝸杆與蝸(wo)杆軸連接銷(xiāo)釘采用45号鋼(gāng)淬火處理,強(qiáng)度高,連接🈲可(ke)靠。
6.箱蓋與箱(xiang)體的緊固件(jiàn)采用六角頭(tou)螺栓和彈簧(huáng)墊圈及平墊(nian)圈組合件,拆(chai)裝方便,連接(jiē)可靠。
7.蝸輪采(cai)用專用的蝸(wo)輪滾刀加工(gōng),配合緊密可(ke)靠,接觸面寬(kuan)♉,摩擦力小,同(tóng)時可以自由(yóu)裝卸蝸輪,便(bian)于安裝。
8.蝸輪(lún)與蝸杆采用(yong)正變位,齒厚(hou)加厚,剛性好(hǎo),傳動Ji限力矩(ju)大。
優(yōu)化法蘭閘閥(fa)的開關時間(jian):提升系統響(xiang)應性和操作(zuò)效率
硬密(mi)封蝶閥:如何(hé)避免高壓差(cha)條件下的振(zhen)動和噪音問(wèn)㊙️題?
硬(yìng)密封蝶閥的(de)洩漏避免裝(zhuāng)置及洩漏風(fēng)險降低
硬密封(feng)蝶閥的流體(ti)阻力評估與(yu)計算方法
相(xiàng)關新聞
• ••